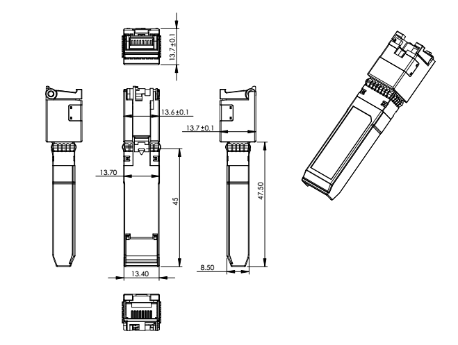
Cable Length
|
Standard
|
Cable
|
Reach
|
Host Port
|
|
10Gbase-T
|
CAT6A
|
30m
|
XFI
|
|
5Gbase-T/2.5Gbase-t
|
CAT5E
|
50m
|
5GBase-R/2.5GBase-X
|
|
1000base-T
|
CAT5E
|
100m
|
1000base-FX
|
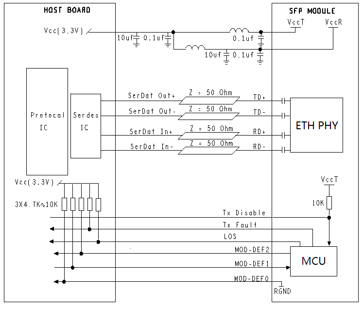
SFP to Host Connector Pin Out
|
Pin
|
Symbol
|
Name/Description
|
Ref.
|
|
1
|
VEET
|
Transmitter Ground (Common with Receiver Ground)
|
1
|
|
2
|
TFAULT
|
Transmitter Fault. Not supported.
|
|
|
3
|
TDIS
|
Transmitter Disable. Laser output disabled on high or open.
|
2
|
|
4
|
MOD_DEF(2)
|
Module Definition 2. Data line for Serial ID.
|
3
|
|
5
|
MOD_DEF(1)
|
Module Definition 1. Clock line for Serial ID.
|
3
|
|
6
|
MOD_DEF(0)
|
Module Definition 0. Grounded within the module.
|
3
|
|
7
|
Rate Select
|
No connection required
|
|
|
8
|
LOS
|
High indicates no linked. low indicates linked.
|
4
|
|
9
|
VEER
|
Receiver Ground (Common with Transmitter Ground)
|
1
|
|
10
|
VEER
|
Receiver Ground (Common with Transmitter Ground)
|
1
|
|
11
|
VEER
|
Receiver Ground (Common with Transmitter Ground)
|
1
|
|
12
|
RD-
|
Receiver Inverted DATA out. AC Coupled
|
|
|
13
|
RD+
|
Receiver Non-inverted DATA out. AC Coupled
|
|
|
14
|
VEER
|
Receiver Ground (Common with Transmitter Ground)
|
1
|
|
15
|
VCCR
|
Receiver Power Supply
|
|
|
16
|
VCCT
|
Transmitter Power Supply
|
|
|
17
|
VEET
|
Transmitter Ground (Common with Receiver Ground)
|
1
|
|
18
|
TD+
|
Transmitter Non-Inverted DATA in. AC Coupled.
|
|
|
19
|
TD-
|
Transmitter Inverted DATA in. AC Coupled.
|
|
|
20
|
VEET
|
Transmitter Ground (Common with Receiver Ground)
|
1
|
SFP to Host Connector Pin Out
Notes:
1. Circuit ground is connected to chassis ground
2. PHY disabled on TDIS > 2.0V or open, enabled on TDIS < 0.8V
3. Should be pulled up with 4.7k - 10k Ohms on host board to a voltage between 2.0 V and 3.6 V. MOD_DEF(0) pulls line low to indicate module is plugged in.
4. LVTTL compatible with a maximum voltage of 2.5V.

Figure 1. Diagram of host board connector block pin numbers and names
+3.3V Volt Electrical Power
The JHA3901G SFP+-10GBASE-T has an input voltage range of 3.3 V +/- 5%. The 4V maximum voltage is not allowed for continuous operation.
|
+3.3 Volt Electrical Power
Interface
|
|
Parameter
|
Symbol
|
Min
|
Typ
|
Max
|
unit
|
Notes/Conditions
|
|
Supply Current
|
Is
|
|
700
|
900
|
mA
|
3.0W max power over
full range of voltage
and temperature.
See caution note below
|
|
Input Voltage
|
Vcc
|
3.13
|
3.3
|
3.47
|
V
|
Referenced to GND
|
|
Maximum Voltage
|
Vmax
|
|
|
4
|
V
|
|
|
Surge Current
|
Isurge
|
|
TBD
|
|
mA
|
Hot plug above steady state
current. See caution note
below
|
Caution: Power consumption and surge current are higher than the specified values in the SFP MSA
Low-Speed Signals
MOD_DEF(1) (SCL) and MOD_DEF(2) (SDA), are open drain CMOS signals (see section VII, "Serial Communication Protocol"). Both MOD_DEF(1) and MOD_DEF(2) must be pulled up to host_Vcc
|
Low-Speed Signals, Electronic Characteristics
|
|
Parameter
|
Symbol
|
Min
|
Max
|
unit
|
Notes/Conditions
|
|
SFP Output LOW
|
VOL
|
0
|
0.5
|
V
|
4.7k to 10k pull-up to host_Vcc,
measured at host side of connector
|
|
SFP Output HIGH
|
VOH
|
host_Vcc -0.5
|
host_Vcc + 0.3
|
V
|
4.7k to 10k pull-up to host_Vcc,
measured at host side of connector
|
|
SFP Input LOW
|
VIL
|
0
|
0.8
|
V
|
4.7k to 10k pull-up to Vcc,
measured at SFP side of connector
|
|
SFP Input HIGH
|
VIH
|
2
|
Vcc + 0.3
|
V
|
4.7k to 10k pull-up to Vcc,
measured at SFP side of connector
|
High-Speed Electrical Interface
All high-speed signals are AC-coupled internally.
|
High-Speed Electrical Interface, Transmission Line-SFP
|
|
Parameter
|
Symbol
|
Min
|
Typ
|
Max
|
unit
|
Notes/Conditions
|
|
Line Frequency
|
fL
|
|
125
|
|
MHz
|
5-level encoding, per
IEEE 802.3
|
|
Tx Output Impedance
|
Zout,TX
|
|
100
|
|
Ohm
|
Differential, for all
frequencies between
1MHz and 125MHz
|
|
Rx Input Impedance
|
Zin,RX
|
|
100
|
|
Ohm
|
Differential, for all
frequencies between
1MHz and 125MHz
|
|
High-Speed Electrical Interface, Host-SFP
|
|
Parameter
|
Symbol
|
Min
|
Typ
|
Max
|
unit
|
Notes/Conditions
|
|
Single ended data input
swing
|
Vinsing
|
250
|
|
1200
|
mV
|
Single ended
|
|
Single ended data output
swing
|
Voutsing
|
350
|
|
800
|
mV
|
Single ended
|
|
Rise/Fall Time
|
Tr,Tf
|
|
175
|
|
psec
|
20%-80%
|
|
Tx Input Impedance
|
Zin
|
|
50
|
|
Ohm
|
Single ended
|
|
Rx Output Impedance
|
Zout
|
|
50
|
|
Ohm
|
Single ended
|
General Specifications
|
General
|
|
Parameter
|
Symbol
|
Min
|
Typ
|
Max
|
unit
|
Notes/Conditions
|
|
Data Rate
|
BR
|
1
|
|
10
|
Gb/sec
|
IEEE 802.3 compatible.
See Notes 1,2 below
|
Notes:
1. Clock tolerance is +/- 50 ppm
EEPROM INFORMATION(A0)
|
Addr
|
Field Size
(Bytes)
|
Name of Field
|
HEX
|
Description
|
|
0
|
1
|
Identifier
|
03
|
SFP
|
|
1
|
1
|
Ext. Identifier
|
04
|
MOD4
|
|
2
|
1
|
Connector
|
22
|
RJ45
|
|
3-10
|
8
|
Transceiver
|
00 00 00 00 00 00 00 00
|
Transmitter Code
|
|
11
|
1
|
Encoding
|
06
|
64B66B
|
|
12
|
1
|
BR, nominal
|
67
|
10000M bps
|
|
13
|
1
|
Reserved
|
00
|
|
|
14
|
1
|
Length (9um)-km
|
00
|
|
|
15
|
1
|
Length (9um)
|
00
|
|
|
16
|
1
|
Length (50um)
|
00
|
|
|
17
|
1
|
Length (62.5um)
|
00
|
|
|
18
|
1
|
Length (copper)
|
1E
|
30m
|
|
19
|
1
|
Reserved
|
00
|
|
|
20-35
|
16
|
Vendor name
|
57 49 4E 54 4F 50 20 20
20 20 20 20 20 20 20 20
|
|
|
36
|
1
|
Reserved
|
00
|
|
|
37-39
|
3
|
Vendor OUI
|
00 00 00
|
|
|
40-55
|
16
|
Vendor PN
|
xx xx xx xx xx xx xx xx
xx xx xx xx xx xx xx xx
|
ASC II
|
|
56-59
|
4
|
Vendor rev
|
31 2E 30 20
|
V1.0
|
|
60-61
|
2
|
Wavelength
|
00 00
|
850nm
|
|
62
|
1
|
Reserved
|
00
|
|
|
63
|
1
|
CC BASE
|
XX
|
Check sum of byte 0~62
|
|
64-65
|
2
|
Options
|
00 1A
|
LOS, TX_DISABLE, TX_FAULT
|
|
66
|
1
|
BR, max
|
00
|
|
|
67
|
1
|
BR, min
|
00
|
|
|
68-83
|
16
|
Vendor SN
|
00 00 00 00 00 00 00 00
00 00 00 00 00 00 00 00
|
Unspecified
|
|
84-91
|
8
|
Vendor date code
|
XX XX XX 20
|
Year, Month, Day
|
|
92-94
|
3
|
Reserved
|
00
|
|
|
95
|
1
|
CC_EXT
|
XX
|
Check sum of byte 64~94
|
|
96-255
|
160
|
Vendor specific
|
|
|
EEPROM INFORMATION(A2),optional

Environmental Specifications
Automatic crossover detection is enabled. External crossover cable is not required
|
Environmental
Specifications
|
|
Parameter
|
Symbol
|
Min
|
Typ
|
Max
|
unit
|
Notes/Conditions
|
|
Operating Temperature
|
Top
|
0
|
|
65
|
°C
|
Case temperature
|
|
Storage Temperature
|
Tsto
|
-40
|
|
85
|
°C
|
Ambient temperature
|
Serial Communication Protocol
All SFPs support the 2-wire serial communication protocol outlined in the SFP MSA. These SFPs use an MCU, can be accessed with address of A0h.
|
Serial Bus Timing, Requirements
|
|
Parameter
|
Symbol
|
Min
|
Typ
|
Max
|
unit
|
Notes/Conditions
|
|
I 2C Clock Rate
|
|
0
|
|
200,000
|
Hz
|
|
Recommended Application Circuit
